公司地址:哈尔滨市松北区华美太古广场Q32-2号
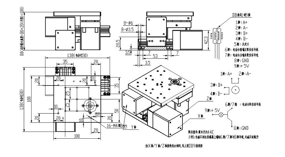
| 型 号 | Ptx30y30z20 | 单位 |
| 运动维数 | 3(X/Y/Z) | 维 |
| 行程 | X 轴=30/Y 轴=30/ Z 轴=20 | mm |
| 螺杆导程 | X 轴=1, Y 轴=1, Z 轴=1.5, | mm |
| 分辨率 | 0.0025 | mm |
| **速度 | 2 | mm/sec |
| 重复定位精度 | X 轴=<0.008, Y 轴=<0.008, | mm |
| 标配电机 | 42 步进电机(1.8º) | / |
| 负载 | 2 | kg |
| 工作电流 | 1.5 | A |
| 外形结构尺寸 | X 轴高* Y 轴高* Z 轴高=138*138*100(尺寸中包含行程可定制) | mm |
| 工作环境 | 三维电动平移台可在真空 3 个大气压下使用 | |
| ||
关于我们 联系我们 精英招聘

